مهندسی شیمی

PFD , P&ID چیست؟

سه شنبه, ۱۲ آذر ۱۳۹۲، ۰۷:۰۲ ب.ظ

به طور کلی طراحی واحدهای شیمیایی شامل دو بخش است:

1-  طراحی پایه واحد (Basic design)

2- طراحی تفصیلی یا مهندسی واحد

 

طراحی پایه

هر محصول نفتی یا پتروشیمی دارای روشهای مختلف شیمیایی برای تولید است که دانش فنی یا لیسانس این روشها ممکن است در اختیار تعدادی از شرکتهای بزرگ بین المللی باشد که با تحقیقاتی که در این زمینه داشته اند به آن دانش فنی دست پیدا کرده اند و این روشها را به نام خودشان به ثبت رسانده اند.

طراحی تفصیلی چیست ؟

مرحله طراحی تفصیلی شامل برآورد تجهیزات مورد نیاز برای احداث واحد صنعتی و طراحی قسمتهای مختلف آن شامل طراحی زیر ساختهای لازم مثل خاکبرداری وخاکریزی و تسطیح و احداث جاده و ساختمان و معماری و... و همچنین طراحی قسمتهای مکانیکی ؛ برقی ؛ ابزار دقیق و احیاناً مخابراتی و ... واحد صنعتی و سفارش ساخت و خرید آن تجهیزات است. که تمامی جزئیات ساخت واحد صنعتی باید مد نظر قرار گیرد.

در طراحی تفصیلی دو نوع نقشه استفاده شده و تهیه میشود:

1- نقشه های  (Process Flow Diagram) – PFD

در این نقشه ها که ماحصل طراحی پایه است طرح کلی جریان مواد شیمیایی و دبی و دما و فشار و سایر مشخصات آنها تعیین میشود. در این نقشها درباره تجهیزات لازم برای فرآیندها و جنس آنها و موارد دیگر صحبتی به میان نمی آید و این نقشه کاملاً به مهندسین شیمی مرتبط است.

 در یک PFD آیتم های زیر نمایش داده می شود:

·         لوله کشی فرآیند

·         سمبل، نام و کد شناسایی تجهیزات اصلی

·         شیرها و شیرهای کنترلی که بر روی عملکرد سیستم اثر می گذارند

·         ارتباط با سایر سیستم ها

·         انشعابات فرعی (Bypass) مهم و خطوط سیرکوله

·         نرخ های سیستم و مقادیر عملکردی مانند حداقل، نرمال و حداکثر جریان، فشار یا درجه حرارت

·         ترکیب مایعات

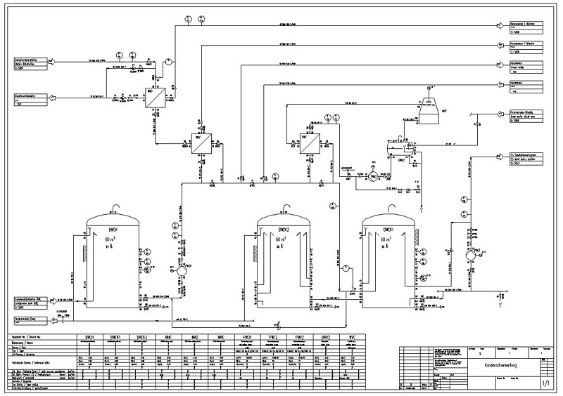
2- نقشه های(Piping & Instrumentation Diagram) P&ID:

در این نقشه ها که توسط مهندسین فرآیند تهیه می شود جزییات بیشتری از ارتباط بین مراحل مشخص شده و تجهیزات مورد نیاز نیز دیده می شوند. همچنین ابزار دقیق مورد نیاز برای فرآیند و تجهیزات نیز در این نقشه ها مشخص می شود و در یک نمای کلی کلیه جزییات فرآیندها مشخص می شود. در این نقشه جزییات مورد نیاز برای طراحی و سفارش ساخت تجهیزات مکانیک مشخص می شود مانند ظرفیت ؛ فشار ؛ دبی ورودی و خروجی ؛ دما و ... بطور خلاصه P&ID نقشه راهنما برای انجام طراحی های بعدی است.

در این نمودار برای نشان دادن تجهیزات و وسایل کنترلی از سمبل ها و اشکال خاصی استفاده می شود که اغلب بر اساس استاندارد ISA  طراحی می شوند. در واقع می توان گفت که P&ID شکل کامل شده PFD می باشد. در یک P&ID باید حداقل اطلاعات زیر نشان داده شود:

·         نمایش کلیه وسایل کنترلی و مشخصات آن

·         تجهیزات مکانیکی به همراه نام و شماره آن

·         شیرها و مشخصات آنها

·         کلیه اطلاعات مربوط به پایپینگ شامل شماره خطوط، اندازه، تغییر مشخصه ها، طبقه بندی خطوط و جهت جریان .

·         فلنج ها، شیرها، تجهیزات ایمنی، دریچه ها (Vent)، محل های تخلیه (Drain)، فیتینگ ها، تبدیل ها

·         خطوط شروع و تخلیه موقتی

·         ورودی ها و خروجی های کنترلی و اینترلاک ها

·         ورودی های سیستم کنترل کامپیوتری

·         کلیه وسایل کنترلی شامل لوپ ها، ارتباطات نرم افزاری و هشدارها و سیستم منطقی

نمودار P&ID پس از تهیه و تایید PFD تهیه می گردد. پس از تهیه و تایید P&ID نیز ، کارشناسان پایپینگ نسبت به تهیه مدارک تفصیلی پایپینگ نظیر نقشه ایزومتریک و غیره اقدام می کنند. از سوی دیگر کارشناسان ابزاردقیق نیز با استفاده از این نمودار نسبت به طراحی مدارک تفصیلی ابزاردقیق نظیر منطق کنترلی، صفحات واسط و غیره اقدام می نمایند.


دربافت فایل آموزشی علائم P&ID

اصول Plot Plane





 

۹۲/۰۹/۱۲
علی ادیبی

نظرات  (۱۹)

kheili khoob bood
۲۱ خرداد ۹۳ ، ۱۲:۱۴ مریم احمدی
ممنون از اطلاعات قرار داده شده
عالی بود

مرسی


مختصر ومفید
با تشکر

با سلام و تشکر برای اطلاعات خوبتان
اما میخواستم بدانم نقشه های p&id بیشتر با چه نرم افزاری طزاحی میشوند؟
۱۵ بهمن ۹۴ ، ۱۷:۴۲ ادیب محمدی پور
خیلی عالی ومفید مرسی از شما
مفید بود. سپاس
خیلی ممنون.عالی بود.
واقعا ممنون یعنی منو نجات دادین
good

با سلام و تشکر از زحمات شما
دوره آموزشی
PFD & P&ID وبسایت هفت اورنگ می تواند مکمل مطالب آموزشی فوق باشد.

www.haftorang.net/lesson-8

چطور میتونم BFDالکل اتانول را به دست بیارم
ممنون
عالی بود
خلاصه و مفید
سپاس

حاجی دمت گرم

با تشکر

لیست عناوین اسنادی مرتبط با ابزاردقیق که بایستی  در فاز طراحی پایه تهیه شود چیست؟

۲۸ دی ۰۰ ، ۱۷:۰۱ فیروزبخت

با تشکر ربسیار عالی 

درود بر شما بزرگوار ارجمند

توضیح کلی و کاملی ارائه شد.

سپاس

ارسال نظر

ارسال نظر آزاد است، اما اگر قبلا در بیان ثبت نام کرده اید می توانید ابتدا وارد شوید.
شما میتوانید از این تگهای html استفاده کنید:
<b> یا <strong>، <em> یا <i>، <u>، <strike> یا <s>، <sup>، <sub>، <blockquote>، <code>، <pre>، <hr>، <br>، <p>، <a href="" title="">، <span style="">، <div align="">
تجدید کد امنیتی